Опыт применения каталитической очистки газов от хлор- и бром- органических производных

Процесс каталитического окисления применяется в мире уже более 50 лет для очистки из газовых смесей углеводородов, спиртов, сложных и простых эфиров, галогенпроизводных, цианистых соединений, альдегидов, кетоны, амины, кислоты. Процесс совершенствования и создания новых катализаторов происходит постоянно. Несколько десятилетий назад окисление галогенсодержащих соединений было проблематичным в силу токсичности самих галогенов, а также продуктов окисления. Например, при окислении метилбромида существует термодинамическое равновесие реагентов и продуктов, которые приводили к отравлению катализатора:

CH3Br+O2 ↔ CO2 + H2O + HBr
HBr+O2 ↔ Br2 + H2O
На сегодня задача решена международными производителями катализаторов и компанией ООО НПФ ТОПСЕ. Отличительной особенностью решения является предложение катализатора на основе переходных металлов, который значительно экономичнее катализаторов с использованием благодродных металлов. Основными продуктами окисления являются HCl или HBr, которые рассеиваются в атмосферу или деактивируются адсорбционными методами.

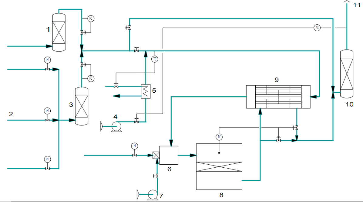
На рис.1 представлена типовая схема каталитической очистки газов от галогенпроизводных на 18000 нм3/ч, в которой включены скрубберы для предварительной (1,3) и финишной (10) очистки. Дополнительным оборудованием перед каталитической очисткой могут быть также циклоны, системы очистки от диоксида серы, пыли и др.
Схема каталитической очистки газов от галогенпроизводных ЛОС

Рис. 1. Типовая схема каталитической очистки газов от галогенпроизводных: 1,3 – скрубберы предварительной очистки, 2 – газ на очистку, 4 – стартовая воздуходувка 5 – электрический обогреватель, 6 – газовая горелка, 7 – воздуходувка, 8 – каталитический реактор, 9 – теплообменник газ-газ, 10 – скруббер финишной очистки, 11 – очищенный газ, TC – датчики контроля температуры, РС – датчики контроля давления, AC - газоанализатор

Газы от основного процесса от четырех точек 1,2 попадают сначала в скрубберы 1 и 3, где предварительно очищаются от примесей. Далее потоки смешиваются между собой, с газовым потоком, идущего с рециклинга и потоком от воздуходувки 4. Поток от воздуходувки 4 нагревается с помощью электронагревателя 5. Общий поток далее проходит через теплообменник 9, где предварительно нагревается и затем смешивается с горячими газами от горелки 6 с отдельной газодувкой 7. Газовая смесь с заданной температурой попадает в реактор 8, где проходит через катализатор. Примеси в газе окисляются с выделением тепла. После реактора, горячий газ поступает в теплообменник, где отдает часть тепла. Отдельно предусмотреть байпас теплообменника на случай критического повышения температуры газов в реакторе. Перед выбросами газов в атмосферу 11 поток проходит через финишный скруббер 10.

Рассмотрим один из практических примеров.

Одна из химических компаний, которая является производителем продуктов тонкого органического синтеза, использовала каталитическое окисление для решения задачи по снижению выбросов загрязняющих веществ до перечисленных ниже значений:

Таблица 1. Требования к очищенных газам после газоочистки

Компонент

Значение, мг/нм3

Общее содержание органического углерода

< 20

HBr, Br2

< 5

Cl2

< 5

HCl

< 30


Отходящий газ поступает от производства антипиренов от десяти точек выбросов суммарным объемом 8000 нм3/ч с концентрациями метилэтилкетона (МЭК), фенола, ксилола и галогенизированных углеводородов, изменяющимися в диапазоне от 0 до 3 г/нм3. Процесс каталитического окисления происходит при температуре ниже 400 ⁰С, что исключает риск образования диоксинов. Общая схема представлена на рис.2.

Каталитическая очистка отходящих газов с содержанием галогенпроизводных

Рис.2. Схема каталитической очистки отходящих газов с содержанием галогенпроизводных 1 – потоки отходящих газов, 2 – предварительный скруббер, 3 – смеситель, 4 – воздуходувка, 5 – регенеративный теплообменник, 6 – горелка, 7 – каталитический реактор, 8 – тушильная камера, подача свежей воды, 9 –скруббер финишной обработки, 10 – подача NaOH + Na2SO3, 11 – смеситель, 12 – очищенный газ

Отходящий газ 1 проходит через предварительный водяной скруббер 2. В смесителе 3 происходит смешение газа на очистку с горячими газами от горелки 6. Затем с помощью газодувки 4 поступает в регенеративный теплообменник 5, где предварительно нагревается. Далее газ проходит через горелку 6, нагревается до нужной температуры и попадает в реактор. После сжигания ЛОС до СО2, Н2О, Cl2, HCl, Br2 и HBr, отходящий газ проходит через регенеративный теплообменник 5, отдает избыточное тепло и охлаждается в тушильной камере 8. Окончательная очистка перед выбросом в дымовую трубу происходит в щелочном скруббере 9, где нейтрализуются Cl2, HCl, Br2 и HBr.
Таким образом, компания успешно решила задачу по снижению выбросов органических соединений, включая галогенпроизводные. В таблице 2 приведены примеры аналогичных установок по очистке от галогенизированных ЛОС.

Таблица 2. Примеры каталитических установок по очистке от галогенизированных ЛОС


Страна

Объем, нм3

Год

США

5000

1993

Нидерланды

8000

1994

Бельгия

14000

2001

Германия

13000

1989

Нидерланды

17000

1992

Корея

95000

1994

Тайвань

18000

1999

Германия

5000

1994

Индонезия

70000

1996

Япония

47000

2000


Как видно из таблицы 1, каталитическое окисление давно успешно используется в мировой практике по очистке от галогенпроизводных ЛОС. Компания ООО НПФ ТОПСЕ также предлагает решения «под ключ» по очистке от галогенпроизводных ЛОС.
Будем рады диалогу и сотрудничеству!
Оставьте контактные данные — мы свяжемся с вами в ближайшее время и предложим решение.